西安科技大学

安全工程专业课程

矿山压力与岩层控制


金洪伟 & 双海清

安全科学与工程学院

返回目录⇡

如何浏览?

  1. 从浏览器地址栏打开 https://zimo.net/ky/
  2. 点击链接打开演示文稿,使用空格键或方向键导航;
  3. f键进入全屏播放,再按Esc键退出全屏;
  4. s键打开演讲者视图(在多屏播放时有用);
  5. Alt键同时点击鼠标左键进行局部缩放;
  6. Esco键进入幻灯片浏览视图。

请使用最新版本浏览器访问此演示文稿以获得更好体验。

第四章 采场矿山压力
显现基本规律

目 录

  1. 概述
  2. 基本顶的初次来压
  3. 基本顶的周期来压
  4. 顶板压力的估算
  5. 回采工作面支承压力的分布
  6. 影响采场矿山压力显现的主要因素

第一节 概述

衡量矿山压力显现程度的指标:

一、顶板下沉量

一般指煤壁到采空区放顶线的顶板相对移近量。相关指标包括顶板绝对下沉量底板鼓起量顶底板相对移近量。有时用单位采高、单位推进度的顶板下沉量来表示,即 \(\frac{s}{{L \cdot M}}\)(s 为由煤壁到采空区放顶线处的顶底板移近量,L 为控顶距,M 为采高)。

工作面顶底板移近曲线

1—顶板绝对下沉曲线;2—顶底相对移近量曲线;3—底板鼓起曲线

第一节 概述

二、顶板下沉速度

指单位时间内的顶底板移近量,以 mm/h 或 mm/min 计。

它表示顶板活动的剧烈程度。

工作面所测顶板
下沉速度变化情况

第一节 概述

三、支柱变形与折损

随着顶板下沉,回采工作面支柱受载也逐渐增加,支柱活柱下缩量增加,剧烈时可能导致支柱的折损。


四、顶板破碎情况

通常以单位面积顶板中冒落面积所占的百分数来表示顶板破碎情况。它常常是衡量顶板管理质量好坏的质量标准。

第一节 概述

五、煤壁片帮

工作面煤壁片帮示意图

指回采工作面煤壁在矿山压力作用下变形、破坏而塌落的现象。

基本顶在断裂后的回转过程中产生对煤壁的作用力,引起煤壁片帮,因而它可作为工作面来压的预兆,同时煤壁片帮范围片帮深度反映了工作面矿压显现的剧烈程度。

第一节 概述

六、局部冒顶

指回采工作面顶板形成局部塌落,导致支架顶梁不接顶,影响回采工作的正常进行。

七、工作面顶板沿煤壁切落

又称大面积冒顶。指采面由于顶板来压而导致顶板沿工作面切落。它常严重影响工作面的生产。

第二节 基本顶的初次来压

基本顶断裂成岩块后的转动
基本顶的初次来压
当基本顶悬露达到极限跨距时,基本顶断裂并产生回转,形成三铰拱式的平衡,导致工作面顶板的急剧下沉。此时,工作面支架呈现受力普遍加大现象,即为基本顶的初次来压。由开切眼到初次来压时工作面推进的距离称为基本顶的初次来压步距。一般情况下,基本顶的初次来压步距与基本顶初次断裂的极限跨距相当。
顶板初次来压前后支架载荷变化曲线
基本顶破断岩块滑落失稳的两个实例(单位:m)

(a)综采工作面滑落失稳实例;(b)单体支柱工作面滑落失稳实例

第二节 基本顶的初次来压

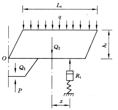
基本顶初次来压的力学模型

初次来压时,在垂直方向,支架的支撑力 P 应使力学模型的以下四种力达到平衡状态:

  • Q1—直接顶的载荷;
  • Q2—基本顶的载荷;
  • P—支架受力;
  • Rt—冒落矸石形成的反力。

但以 O 点为轴,支撑力 P 形成的反力矩通常无法平衡由 Q2 所形成的力矩,因此基本顶岩块的回转在一定程度上是不可避免的。

初次来压前四周围岩的支承压力分布状态

A—增压区;B—减压区;C—稳压区

第二节 基本顶的初次来压

基本顶初次来压的规律

  • 初次来压前,顶板压力并不大,但煤壁内支承压力却达到最大值;煤壁前方可能形成剪切破坏,出现煤壁的变形和塌落(片帮),这是顶板来压的一个重要标志。
  • 初次来压往往比较突然,影响范围广,来压显现较为强烈,工作面易出现顶板事故,应加强支护。
  • 初次来压一般要持续长度为 2~3m。
  • 据大量实测资料统计,我国现有的生产工作面中,初次来压步距为 10~30m 的约占 54%,30~55m 的约占 37.5%,其余为大于 55m 的情况,有的可达到 160m 左右。
  • 一般基本顶初次来压步距越大,工作面来压显现越剧烈,相应的动载系数(支架在来压时的载荷与平时载荷之比,也称动压系数)也越大;我国多数煤矿基本顶初次来压时的动载系数为 1.5 左右。

第三节 基本顶的周期来压

一、回采工作面推进对“砌体梁”结构运动的影响

随着回采工作面的推进,上覆岩层的“砌体梁”结构经历了“稳定—破断回转(运动)—再稳定”的过程。

  1. 稳定:BC 岩块达到三铰拱式平衡;
  2. 破断:形成新的断块 A
  3. 回转:岩块 A 旋转下沉;
  4. 稳定:AB 岩块重新达到三铰拱式平衡。
回采工作面推进中
岩体结构的变化过程

一、回采工作面推进对岩体结构的影响

支架的性能必须与覆岩结构经历的“稳定—破断回转(运动)—再稳定”过程相适应,并防止顶板沿煤壁切落。

AB 岩块的受力分析

A 岩块不发生滑落失稳的条件

\[T\tan \left( {\varphi - \theta } \right) > {Q_{A + B}}\]

第三节 基本顶的周期来压

二、采场的周期来压

周期来压
基本顶周期性破断回转运动引起的顶板来压现象称为工作面顶板的周期来压

周期来压的主要表现形式:顶板下沉速度急剧增加,顶板的下沉量变大;支柱所受的载荷普遍增加;有时还可能引起煤壁片帮、支柱折损、顶板发生台阶下沉等现象。如果支架参数选择不合适或者单体支柱稳定性较差,则可能导致局部冒顶、甚至顶板沿工作面切落等事故。

二、采场的周期来压

基本顶周期来压的力学模型

若在失稳过程中不能满足 \(\sum {{F_y} = 0} \),则工作面顶板将出现台阶下沉,甚至沿煤壁切落,形成严重的周期来压现象。

周期来压时,下方支架与冒落矸石对基本顶的支撑力 Q2 必须满足 \(\sum {{F_y} = 0} \)(见下式),才能保证不发生滑落失稳;但并不能阻止基本顶岩块的回转。

\[Q_2 = {Q_{A + B}} - T\tan \left( {\varphi - \theta } \right)\]

二、采场的周期来压

基本顶的周期来压步距常常按基本顶的悬臂式折断来确定。其值为

\[L = h\sqrt {\frac{{{\sigma _t}}}{{3q}}} \]

周期来压步距相当于初次来压步距的 1/2.45。

二、采场的周期来压

永定庄矿 8411 工作面垮顶现象

周期来压大小的影响因素:顶板岩层的情况,尤其是顶板中多个厚硬岩层的分布情况;直接顶的完整性;采空区冒落矸石的充填程度。

基本顶来压时若控制不当,将导致工作面产生垮顶现象,见右图。

二、采场的周期来压

梯形悬露顶板的破断形状

预防基本顶来压造成的事故:准确地判断基本顶来压的预兆,及时采取加强支护措施,保证支架的规格质量,保证支架阻力及支架稳定性;为了控制剧烈的基本顶来压,可将工作面与开切眼斜交,此时基本顶悬板呈梯形,破断边线仅部分与工作面相切(如右图),基本顶的破断将不至于造成工作面全面来压,而是呈局部来压。

第四节 顶板压力的估算

顶板压力
顶板岩层由于自身不能取得平衡而作用于支架上的力。
支架阻力
在顶板压力作用下支架对顶板产生的支撑反力。

第四节 顶板压力的估算

一、理论估算法

顶板压力计算公式:

\[P = {Q_1} + {Q_2}\]

\[p = {q_1} + {q_2}\]

  • P—顶板压力;
  • Q1—直接顶的载荷;
  • Q2—基本顶通过直接顶作用于支架的载荷。
回采工作面的顶板压力

一、理论估算法

1. 直接顶载荷 Q1

直接顶载荷即为直接顶重量。即

\[{Q_1} = \sum {hL\gamma } \]

\[{q_1} = \sum {h\gamma } \]

若悬顶距 L 等于控顶距 Lm,亦可写作:

\[{Q_1} = \sum {hL_m\gamma } \]

式中:

  • Q1—直接顶载荷;
  • q1—直接顶载荷集度;
  • Σh—直接顶厚;
  • L—悬顶距;
  • Lm—控顶距;
  • γ—体积力。

一、理论估算法

2. 基本顶载荷 Q2

(1)以直接顶载荷的倍数估算基本顶的载荷

\[\begin{array}{c}p = {q_1} + {q_2} = n\sum {h\gamma } \\ \approx 2\frac{m}{{K - 1}}\gamma = \left( {4 \sim 8} \right)m\gamma \end{array}\]

即顶板压力相当于采高 4~8 倍岩柱的重量。

在周期来压不明显时应采用低倍数,在周期来压较剧烈时应采用高倍数。

2. 基本顶载荷 Q2

(2)以“砌体梁”结构的平衡关系估算基本顶的载荷

此法认为直接顶的载荷应由支架全部承受,而基本顶岩层由于能形成结构,因此支架所承受的载荷仅是当基本顶岩层结构失稳时所形成。可按滑落失稳和回转变形失稳分别计算。

① 从基本顶结构的滑落失稳估算顶板压力

\[\begin{array}{c} Q_2=Q_{A+B}-T\tan \left( \varphi -\theta \right)\\ =Q_{A+B}-\frac{L_{i0}Q_{i0}}{2\left( H-s_{i_0} \right)}\tan \left( \varphi -\theta \right)\\ \end{array}\]

2. 基本顶载荷 Q2

(2)以“砌体梁”结构的平衡关系估算基本顶的载荷

② 从基本顶结构的回转变形失稳估算顶板压力

认为基本顶的位移量与对支架形成的载荷呈双曲线关系,因而提出 P 与 ΔL(位移量)的乘积是常数的概念。为此,基本顶对支架的作用载荷 Q2

\[Q_2=P_0\frac{\Delta L_0}{\Delta L_i}L_m\]

第五节 回采工作面支承压力的分布

上位岩层大结构组成:煤壁—已冒落的矸石

下位岩层小结构组成:煤壁—工作面支架—已冒落矸石

这两种结构都可以看作是拱—梁组合结构。拱脚落在哪里,哪里出现支承压力。

初次来压前工作面四周围岩的支承压力分布状态
工作面前方煤体超前支承压力

1—工作面前方煤体超前支承压力;2, 3—工作面倾斜方向煤体支承压力;
4—工作面后方开切眼一侧煤体支承压力

回采工作面垂直应力在煤层平面内分布示意图

(a) 钱家营煤矿工作面初采时周围应力分布计算图;
(b) 采深为 470m 时工作面周围垂直应力分布图

各种采空区支撑条件下工作面前后支承压力分布

1—采空区采用刚性支撑;2—采用全部垮落法或充填法管理采空区;3—采高很大或顶板岩层极为坚硬;4—大采深

工作面前后支承压力分布

a—增压区;b—减压区;c—稳压区

第六节 影响采场矿山压力
显现的主要因素

一、采高与控顶距

在同样的覆岩层移动变形曲线的条件下,回采工作面的顶板下沉量与采高、控顶距的大小成正比关系:

\[{s_L} = \eta mL\]

  • m—采高;
  • L—控顶距;
  • sL—从煤壁到控顶距 L 处的采高;
  • η—顶板下沉系数,即为每米采高、每米推进度的顶板下沉量。

第六节 影响采场矿山压力显现的主要因素

二、工作面推进速度的影响

加快工作面推进速度缩短了落煤和放顶两个主要生产工序的时间间隔,从理论上说,其结果肯定能减少顶板下沉量,但同时必然使顶板下沉速度加剧。

所以,只有在原先的工作面推进速度比较缓慢的条件下,加快工作面推进速度才会对工作面顶板状态有所改善。当工作面推进速度提高到一定程度后,顶板下沉量的变化将逐渐减小。因而想把顶板压力“甩掉”的企图实际上是不能实现的。

第六节 影响采场矿山压力显现的主要因素

三、开采深度的影响

采深影响着原岩应力的大小,相应地也将影响支承压力。

采深对巷道矿压影响明显,采深越大,矿压显现越剧烈。

采深对采场矿压显现影响并不明显,尤其是对顶板下沉量的影响较小,这是由于覆岩中形成了承载结构的原因。

对于浅埋煤层,由于松散载荷层的作用,一定条件下会导致覆岩的整体破断,反而使矿压显现更剧烈。

第六节 影响采场矿山压力显现的主要因素

四、煤层倾角的影响

倾角对矿山压力的影响

W—上覆岩层的重力;Q1—垂直于岩层的分力;Q2—平行于岩层的分力

实测表明,煤层倾角对采场矿压显现的影响较大。随着煤层倾角增加,顶板下沉量减小。

在同样的生产技术条件下,采用沿倾斜向下推进的倾斜长壁工作面,与沿走向推进的工作面相比,在上覆岩层中更容易形成结构。

各种倾角情况下导水裂隙带与冒落带的分布

1—导水裂隙带;2—冒落带

第六节 影响采场矿山压力显现的主要因素

五、分层开采时的矿山压力显现

分层开采时一般采用自上而下的开采顺序。第一分层开采时,矿山压力显现规律与普通单一煤层开采相同。下分层开采时,矿压显现特点为:

  • 基本顶来压步距小,强度低;
  • 支架载荷变小;
  • 顶板下沉量变大。

学习要求

  1. 了解衡量回采工作面矿山压力的主要现象及指标有哪些;
  2. 掌握基本顶初次来压、基本顶周期来压的概念;
  3. 了解基本顶周期来压时,是否能通过支护防止基本顶的滑落失稳和回转变形失稳;
  4. 掌握基本顶周期来压的主要表现形式及预防措施;
  5. 了解回采工作面上位岩层大结构和下位岩层小结构的组成;
  6. 了解影响采场矿山压力显现的主要因素及影响规律。

作 业

  1. 课本151页习题2:试分析周期来压的形成原因及表现形式。
  2. 课本151页习题4:直接顶与基本顶的稳定性对工作面支护原理有何影响?
  3. 课本152页习题9:矿山压力大是否矿山压力显现也必然强烈?试举例说明。

  谢谢!

返回目录
返回首页